
一、干烧电加热管-设计前提须知
在设计干烧电加热管之前,我们必须要搞明白几个事情:
①加热管是嵌入式干烧还是裸露空气干烧?
②裸露空气干烧的时候,是否有风循环?
③工作环境以及工作温度;
④安装空间大小;
二、干烧电加热管选型指导-材质选择
干烧电加热管的护套材质选择主要根据加热液体的情况来决定,一般可以按照如下材质选择:
| 管材质 | 建议表面负荷 | 加热介质 |
| 不锈钢304 、321、316L | 5W/cm2 | 静止的空气 |
| 不锈钢304 、321、316L | 5.5W/cm2 | 风速不低于6m/s |
| 不锈钢310S、英格莱840、800 | 10W/cm2 | 静止的空气 |
| 不锈钢310S、英格莱840、800 | 11W/cm2 | 风速不低于6m/s |
三、干烧电加热管选型指导-加热管样式的选择以及尺寸建议
⑴缠绕式翅片直棒型


|
功率 |
L长度 |
翅片长度 A |
紧固件 |
|
500 |
500 |
440 |
管径12 配M18*1.5 |
|
700 |
700 |
640 |
管径12 配M18*1.5 |
|
800 |
800 |
740 |
管径12 配M18*1.5 |
|
1000 |
1000 |
940 |
管径12 配M18*1.5 |
|
1200 |
1200 |
1140 |
管径12 配M18*1.5 |
|
1500 |
1500 |
1440 |
管径12 配M18*1.5 |
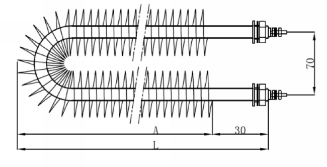
⑵缠绕式翅片U型 

|
功率 |
L长度 |
翅片长度 A |
紧固件 |
|
500 |
200 |
170 |
管径12 配M18*1.5 |
|
1000 |
450 |
420 |
管径12 配M18*1.5 |
|
1500 |
700 |
670 |
管径12 配M18*1.5 |
|
2000 |
950 |
920 |
管径12 配M18*1.5 |
|
2500 |
1200 |
1170 |
管径12 配M18*1.5 |
|
3000 |
1500 |
1470 |
管径12 配M18*1.5 |
⑶ 缠绕式翅片W型


|
功率 |
L长度 |
翅片长度 A |
紧固件 |
|
2000 |
500 |
470 |
管径12 配M18*1.5 |
|
2500 |
625 |
595 |
管径12 配M18*1.5 |
|
3000 |
750 |
720 |
管径12 配M18*1.5 |
|
3500 |
875 |
845 |
管径12 配M18*1.5 |
|
4000 |
1000 |
970 |
管径12 配M18*1.5 |
|
4500 |
1125 |
1095 |
管径12 配M18*1.5 |
⑷方形翅片25*50型


|
功率 |
长度 Length |
紧固件 |
|
200 |
140 |
M14*1.5 |
|
500 |
250 |
M14*1.5 |
|
750 |
350 |
M14*1.5 |
|
1000 |
450 |
M14*1.5 |
|
1500 |
650 |
M14*1.5 |
|
2000 |
850 |
M14*1.5 |
|
3000 |
1300 |
M14*1.5 |
⑸ 方形翅片40*80型-可2根直棒,也可U型


|
功率 |
长度 L1 |
紧固件 |
|
1000 |
400 |
M16*1.5 |
|
1500 |
600 |
M16*1.5 |
|
2000 |
750 |
M16*1.5 |
|
2500 |
1100 |
M16*1.5 |
|
3000 |
1200 |
M16*1.5 |
|
3500 |
1500 |
M16*1.5 |
四、 干烧电加热管选型指导-使用注意点
干烧电加热管使用最重要的一点原则是,散热要好,空气流动要好,或者嵌入孔中的时候,其间隙要小。只有干烧电加热管表面散热好,加热管的寿命才会好。
干烧电加热管使用时,额定电压需要稳定,偏差过大,会导致干烧电加热管表面负荷变大,造成表面温度过高,超负荷工作。
五、 干烧电加热管 - 我们帮您设计
若您看了以上资料,还是不会选型,可以直接咨询我们: 13338926938,0515-88690713
盐城宇恒电热科技有限公司专业生产定制,进口电热丝/电阻丝/电炉丝,进口加热器,进口电加热管,进口电热制品,中高端客户电热产品设计服务商!